Product Summary
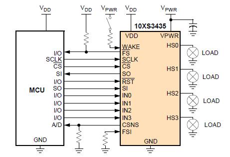
The MC10XS3435BPNAR2 is a quad high side switch. The MC10XS3435BPNAR2 is one in a family of devices designed for low-voltage automotive lighting applications. Its four low RDS(ON) MOSFETs (dual 10 mOhm/dual 35 mOhm) can control four separate 55 W / 28 W bulbs, and/or Xenon modules, and/or LEDs. Programming, control and diagnostics are accomplished using a 16-bit SPI interface. Its output with selectable slew-rate improves electromagnetic compatibility (EMC) behavior. Additionally, each output has its own parallel input or SPI control for pulse-width modulation (PWM) control if desired.
Parametrics
MC10XS3435BPNAR2 absolute maximum ratings: (1)VPWR Supply Voltage Range, Load Dump at 25℃ (400 ms), VPWR(SS): 41V; Maximum Operating Voltage, VPWR(SS): 28V; Reverse Battery: -18V; (2)VDD Supply Voltage Range, VDD: -0.3 to 5.5V; (3)Input / Output Voltage: -0.3 to VDD + 0.3V; (4)WAKE Input Clamp Current, ICL(WAKE): 2.5 mA; (5)CSNS Input Clamp Current, ICL(CSNS): 2.5 mA; (6)Output Current, IHS[0:3]: 6.0 A; (7)HS[0,1] Output Clamp Energy using single pulse method, ECL [0:1]: 100mJ; (8)HS[2,3] Output Clamp Energy using single pulse method, ECL [2:3]: 35mJ.
Features
MC10XS3435BPNAR2 features: (1)Four protected 10 m?and 35 m?high side switches (at 25℃); (2)Operating voltage range of 6.0 V to 20 V with sleep current < 5.0μA, extended mode from 4.0 V to 28 V; (3)8.0 MHz 16-bit 3.3 V and 5.0 V SPI control and status reporting with daisy chain capability; (4)PWM module using external clock or calibratable internal oscillator with programmable outputs delay management; (5)Smart over-current shutdown, severe short-circuit, over-temperature protections with time limited autoretry, and fail-safe mode in case of MCU damage; (6)Output OFF or ON open-load detection compliant to bulbs or leds and short to battery detection. analog current feedback with selectable ratio and board temperature feedback.; (7)pb-free packaging designated by suffix code DPNA.
Diagrams

| Image | Part No | Mfg | Description | ![]() |
Pricing (USD) |
Quantity | ||||||||||||
|---|---|---|---|---|---|---|---|---|---|---|---|---|---|---|---|---|---|---|
![]() |
![]() MC10XS3435BPNAR2 |
![]() Freescale Semiconductor |
![]() Power Switch ICs - Power Distribution Eswitch Gen3 1035 |
![]() Data Sheet |
![]() Negotiable |
|
||||||||||||
| Image | Part No | Mfg | Description | ![]() |
Pricing (USD) |
Quantity | ||||||||||||
![]() |
![]() MC10 |
![]() Other |
![]() |
![]() Data Sheet |
![]() Negotiable |
|
||||||||||||
![]() |
![]() MC100E016FN |
![]() ON Semiconductor |
![]() Counter Shift Registers 5V ECL 8-Bit Binary |
![]() Data Sheet |
![]() Negotiable |
|
||||||||||||
![]() |
![]() MC100E016FNG |
![]() ON Semiconductor |
![]() Counter Shift Registers 5V ECL 8-Bit Binary Up Synchronous |
![]() Data Sheet |
![]()
|
|
||||||||||||
![]() |
![]() MC100E016FNR2 |
![]() ON Semiconductor |
![]() Counter Shift Registers 5V ECL 8-Bit Binary |
![]() Data Sheet |
![]() Negotiable |
|
||||||||||||
![]() |
![]() MC100E016FNR2G |
![]() ON Semiconductor |
![]() Counter Shift Registers 5V ECL 8-Bit Binary Up Synchronous |
![]() Data Sheet |
![]()
|
|
||||||||||||
![]() |
![]() MC100E101FN |
![]() |
![]() IC GATE OR/NOR QUAD 4INP 28-PLCC |
![]() Data Sheet |
![]() Negotiable |
|
||||||||||||
(China (Mainland))








