Product Summary
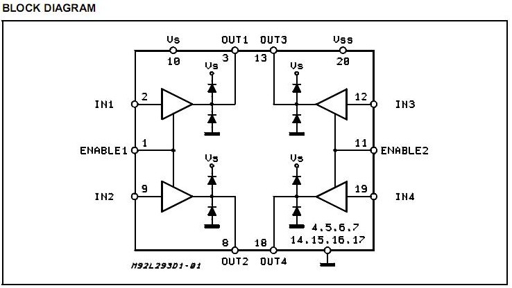
The L293D is a monolithic integrated high voltage, high current four channel driver designed to accept standard DTL or TTL logic levels and drive inductive loads (such as relays solenoides, DC and stepping motors) and switching power transistors. The L293D is suitable for use in switching applications at frequencies up to 5 kHz. The L293D is assembled in a 16 lead plastic packaage which has 4 center pins connected together and used for heatsinking.
Parametrics
L293D absolute maximum ratings: (1)Supply Voltage:36 V; (2)Logic Supply Voltage:36 V; (3)Input Voltage:7 V; (4)Enable Voltage:7 V; (5)Peak Output Current (100 μs non repetitive:1.2 A; (6)Total Power Dissipation at Tpins = 90℃:4W; (7)Storage and Junction Temperature:–40℃ to 150℃.
Features
L293D features: (1)600mA output current capability per channel ; (2)1.2A peak output current (non repetitive) per channel; (3)enable facility ; (4)overtemperature protection ; (5)logical "0" input voltage up to 1.5 V(high noise immunity); (6)internal clamp diodes.
Diagrams

| Image | Part No | Mfg | Description | ![]() |
Pricing (USD) |
Quantity | ||||||||||||
|---|---|---|---|---|---|---|---|---|---|---|---|---|---|---|---|---|---|---|
![]() |
![]() L293DD |
![]() STMicroelectronics |
![]() Motor / Motion / Ignition Controllers & Drivers Push-Pull 4-Channel |
![]() Data Sheet |
![]()
|
|
||||||||||||
![]() |
![]() L293DDWP |
![]() Texas Instruments |
![]() IC QUADRUPLE HALF-H DRIVER |
![]() Data Sheet |
![]() Negotiable |
|
||||||||||||
![]() |
![]() L293DNEE4 |
![]() Texas Instruments |
![]() Motor / Motion / Ignition Controllers & Drivers Quad Half-Hs |
![]() Data Sheet |
![]()
|
|
||||||||||||
![]() |
![]() L293D |
![]() STMicroelectronics |
![]() Motor / Motion / Ignition Controllers & Drivers Push-Pull 4-Channel |
![]() Data Sheet |
![]()
|
|
||||||||||||
![]() |
![]() L293DWPG4 |
![]() Texas Instruments |
![]() Motor / Motion / Ignition Controllers & Drivers Quad Half-H Drivers |
![]() Data Sheet |
![]() Negotiable |
|
||||||||||||
![]() |
![]() L293DWP |
![]() Texas Instruments |
![]() Motor / Motion / Ignition Controllers & Drivers Quad Half-H Drivers |
![]() Data Sheet |
![]() Negotiable |
|
||||||||||||
![]() |
![]() L293DNE |
![]() Texas Instruments |
![]() Motor / Motion / Ignition Controllers & Drivers Quad Half-Hs |
![]() Data Sheet |
![]()
|
|
||||||||||||
![]() |
![]() L293DD013TR |
![]() STMicroelectronics |
![]() Motor / Motion / Ignition Controllers & Drivers Push-Pull 4-Channel |
![]() Data Sheet |
![]()
|
|
||||||||||||
(China (Mainland))








